3.5 Electricity
3.5.1 Current Electricity
3.5.1.1 Basics of Electricity
Content
- Electric current as the rate of flow of charge; potential difference as the work done per unit charge.
- I =
Q/
t, V = W/Q - Resistance defined as R = V/I.
Opportunities for Skills Development
- Students can construct circuits from the range of components.
Electric current as the rate of flow of charge; potential difference as the work done per unit charge.
Electric current is defined as the rate of flow of charge, I = Q/t.
Potential Difference is the work done per unit charge, V = W/Q.
Resistance defined as R = V/I.
Resistance is the defined as V/I, where V = potential difference, and I = current.
3.5.1.2 Current–Voltage Characteristics
Content
- For an ohmic conductor, semiconductor diode, and filament lamp.
- Ohm’s law as a special case where I is proportional to V under constant physical conditions.
- Unless specifically stated in questions, ammeters and voltmeters should be treated as ideal (having zero and infinite resistance respectively).
- Questions can be set where either I or V is on the horizontal axis of the characteristic graph.
Ohmic conductor, semiconductor diode, and filament lamp.
Ohmic Conductor… An example of an ohmic conductor is a fixed resistor, it’s resistance is fixed therefore current increases in direct proportion to potential difference. The I-V graph shows this relationship as a straight line through the origin. A component that gives a graph like the one shown below can be described as following Ohm’s Law.

Semi-Conductor Diode… is a component that only allows current to flow in one direction, as in the other direction it has an infinite resistance, so current cannot flow. This is illustrated in the graph below.

Filament Lamp… This component does not follow Ohm’s Law, and so the current does not increase in direct proportion to potential difference as physical conditions change. This is because, as current increases in the filament lamp, resistance also increases. This increase in resistance is due to the fact that as the wire heats up, the ions within the metal move faster, thus providing more opposition to the flow of electrons. This opposition to the flow of electrons is otherwise described as resistance of the circuit, so as this resistance increases, the rate of change of the potential difference decreases. The graph illustrates the I-V characteristics of the filament lamp.

Ohm’s law as a special case where I is proportional to V under constant physical conditions.
Ohm’s Law is, as stated above, a special case whereby current is proportional to the potential difference under physical conditions. A fixed resistor obeys Ohm’s Law.
Unless specifically stated in questions, ammeters and voltmeters should be treated as ideal (having zero and infinite resistance respectively).
Ammeters are idealised as having zero resistance, as not to take a share of the potential difference in the circuit. Voltmeters are idealised as having infinite resistance so that they do not take a share of the current in the circuit.
Questions can be set where either I or V is on the horizontal axis of the characteristic graph.
In terms of the I-V graphs earlier, the reverse of these should be known as they could put V on the y axis and I on the x axis.
3.5.1.3 Resistivity
Content
- Resistivity, ρ = RA/L
- Description of the qualitative effect of temperature on the resistance of metal conductors and thermistors.
- Only negative temperature coefficient (ntc) thermistors will be considered.
- Applications of thermistors to include temperature sensors and resistance–temperature graphs.
- Superconductivity as a property of certain materials which have zero resistivity at and below a critical temperature which depends on the material.
- Applications of superconductors to include the production of strong magnetic fields and the reduction of energy loss in transmission of electric power.
- Critical field will not be assessed.
Opportunities for Skills Development
- Investigation of the variation of resistance of a thermistor with temperature.
Resistivity, ρ = RA/L
Resistivity is defined by the equation above, and equals the resistance (R), multiplied by the cross sectional area of the wire (A), all divided by the length of the wire (L). The unit of resistance is the ohm (Ω), the unit for cross-sectional area is m2, and for length is m. Therefore the unit for resistivity is the Ωm.
Description of the qualitative effect of temperature on the resistance of metal conductors and thermistors.
As temperature increases in metal conductors, the ions contained within the metal move faster. This makes it harder for electrons to pass, as the ions are constantly moving and getting in their way, providing more resistance to the motion of the electrons. Therefore, as the temperature increases in metal conductors, resistance increases.
However in thermistors as the temperature increases, the resistance decreases.
Only negative temperature coefficient (ntc) thermistors will be considered.
An example of a negative temperature coefficient (ntc) is a thermistor, whereby the resistance decreases as the temperature increases. The opposite of this would be a positive temperature coefficient (ptc).
Applications of thermistors to include temperature sensors and resistance–temperature graphs.
The graph above shows a resistance-temperature graph for a thermistor. It clearly shows how resistance decreases with an increase in temperature. This concept is applied to one of its main uses as a temperature sensor. The way it works in a temperature sensor is covered when you come to potential dividers.
Superconductivity as a property of certain materials which have zero resistivity at and below a critical temperature which depends on the material.
Superconductivity is where, at and below a critical temperature, a given material will have zero resistivity.
Applications of superconductors to include the production of strong magnetic fields and the reduction of energy loss in transmission of electric power.
Superconductors can provide power cables that can transfer electrical energy without energy dissipation, so making cables much more efficient by having less wasted energy. Also, they can be used for making extremely strong electromagnets, for things like particle accelerators or MRI scanners that require a very strong magnetic field.
Critical field will not be assessed.
3.5.1.4 Circuits
Content
- Resistors:
- in series, RT = R1 + R2 + R3
- in parallel, 1/RT = 1/R1 + 1/R2 + 1/R3
- Energy and power equations: E=IVt; P=IV = I2R = V2/R
- The relationships between currents, voltages and resistances in series and parallel circuits, including cells in series and identical cells in parallel.
- Conservation of charge and conservation of energy in dc circuits.
Opportunities for Skills Development
- Students can construct circuits with various components configurations and measure currents and potential differences.
Resistors
In series, the resistance of resistors simply adds up, where RT = R1 + R2 + R3… RT is equal to the total resistance of the circuit.
In parallel, the total resistance is equal to 1/RT = 1/R1 + 1/R2 + 1/R3…
Energy and power equations
E=IVt; P=IV = I2R = V2/R. The first equation gives the equation for energy, equal to the current (I), multiplied by the potential difference (V), multiplied by the time (t). Current is measured in amperes (A), potential difference in volts (V), and time in seconds (s).
The relationships between currents, voltages and resistances in series and parallel circuits, including cells in series and identical cells in parallel.
Current
Conservation of charge – “The total charge flowing into a junction of wires must equal the total charge flowing out of the junction”.
Kirchhoff’s First Law – “The sum of the currents flowing into a junction of wires must equal the sum of the currents flowing away from the junction of wires”.
In series circuits… is the same if you where to put an ammeter anywhere in the circuit. This can be seen in the diagram below.

In parallel circuits… splits as it approaches a junction. It splits by different amounts depending on the resistance down the junction, however charge flowing into the junction must be equal to the charge flowing out. The diagram below illustrates this, as depending on the resistances down each branch, the current would change. If the resistance were the same down each branch, then current would split equally. Also it is important to remember that after the current splits into I1, I2 and I3, the current will add up to form I0 (the total charge that flowed into the branches).

Potential Difference
In series circuits… is shared amongst the different components. As each electron passes through each component it will drop by a given amount in voltage, which is the potential difference at that point. So from a source V0, if there are three components V1, V2 and V3, then V0 will be equal to the sum of the three components. In the example below, the potential difference of the circuit is 12V, and there are three identical bulbs connected in series. Since they are identical, they will take the same share of the voltage, so 4V each. The voltmeter below each of them is measuring the difference in potential between two points.

In parallel circuits… the potential difference is the same in each branch. This is because electrons carrying the charge cannot split in half, so each branch will get the same voltage across it. This can be seen in the diagram below, where each component has a potential difference of 12V across it. If there were two components in one branch, then the two components would take a share of the 12V depending on their respective resistances.

Resistance
In series circuits… just add up where RT = R1 + R2 + R3…+Rn

In parallel circuits… the resistance is equal to 1/RT = 1/R1 + 1/R2 + 1/R3…+1/Rn. So if the resistance of R1 was 5W, R2 4W and R3 6W, then…
1/RT = 1/5 + 1/4 + 1/6
1/RT = 37/60
RT = 60/37 = 1.62W
Cells
In series… add up if they are all connected in the same direction. For example, in the diagram below they are all facing in the same direction to VT = V1 + V2 + V3 so VT = 2 + 2 + 2 = 6V. However in circuits where the cells are not all facing the same direction, they can cancel each other out.

The questions above give examples of how cells interact with each other. Each cell has a potential difference of 1.5V.
- The cells are working in the same direction so total is 3V.
- The cells are working in opposite directions, so cancel each other out, so 0V.
- The cells all work together, total is 6V.
- Two of the cells cancel each other out, and two are working together, so total is 3V.
- The left two cancel each other out, and the right two also cancel each other out, so total is 0V.
In parallel circuits… the total potential difference in the circuit will be 2V in the circuit below, as potential differences are the same.

Conservation of charge and conservation of energy in dc circuits.
Charge and energy are both conserved in direct current (DC) circuits.
3.5.1.5 Potential Divider
Content
- The potential divider used to supply constant or variable potential difference from a power supply.
- The use of the potentiometer as a measuring instrument is not required.
- Examples should include the use of variable resistors, thermistors, and light dependent resistors (LDR) in the potential divider.
Opportunities for Skills Development
- Students can investigate the behaviour of a potential divider circuit.
- Students should design and construct potential divider circuits to achieve various outcomes.
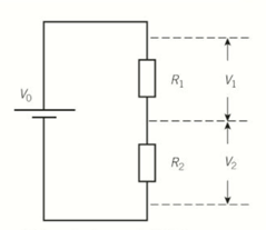
The potential divider used to supply constant or variable potential difference from a power supply.
The potential divider is a type of circuit that supplies a constant of variable potential difference from a power supply. They will consist of two or more resistors in series with each other, with a fixed potential difference. The voltage from the source is therefore divided between the resistors, and so you are able to supply a fixed potential difference from 0 to the source potential difference, you can vary this pd, or supply a pd which will vary with physical conditions i.e. temperature.
The use of the potentiometer as a measuring instrument is not required.
Examples should include the use of variable resistors, thermistors, and light dependent resistors (LDR) in the potential divider.
If you look at the diagram below, it shows a standard potential divider circuit. It can be shown that the ratio of the potential difference across each resistor is equal to the ratio of their resistances. So in other words V1/V2 = R1/R2.

As you can see above, when attempting to find the output voltage, you can use the equation given above. This is not an equation that is given to you, but is a useful shortcut for finding the output voltage quickly. The derivation of the formula is shown below.

Variable Resistors: if you were to replace the top resistor in the circuit above with a variable resistor, then the output voltage can be adjusted. In this circuit, a low-value fixed resistor should be placed in series with a variable resistor. ]If you were to increase the resistance of the resistor R2 it would increase the total resistance of the circuit, thus lowering the current in the circuit. Now, R1 would get a lower share of the voltage than R2. So if you wanted the potential difference across your variable resistor (which would be in place of R2 in the circuit above), then you would be able to adjust its output voltage accordingly.
This gives the potential divider circuits a use in sensor circuits, i.e. for temperature or light, which has an output pd that will change as a result of one of these physical variables.
Thermistor: These act as a temperature sensor in the circuit. The circuit is formed by having a fixed pd source and then a variable resistor in series with a thermistor. Your voltage out is across the thermistor as shown below. When the temperature of the thermistor changes, its temperature changes, so therefore the pd across it will change. Also, at constant temperatures, the variable resistor can be used to set the pd across the thermstor to be any value.

So thermistors work by using known pd values at certain temperatures, so we can read off the voltage value to give us the temperature.
Light – Dependent Resistor: This can be used in a light sensor, with the LDR in place of the thermistor. The pd across the LDR will change when the light intensity incident on its surface changes, so if the light intensity increases, resistance of the LDR falls and the pd will fall. Therefore, using known values of pd at certain light intensity’s, we can use this circuit as a sensor for when the light intensity falls too low i.e. at night.
3.5.1.6 Electromotive Force and Internal Resistance
Content
- ε = E/Q, ε = I(R+r)
- Terminal pd; emf
- Students will be expected to understand and perform calculations for circuits in which the internal resistance of the supply is not negligible.
ε = E/Q, ε = I(R+r)
The electromotive force is the electrical energy per unit charge produced by the source, given by the equation E/Q. It is also given by the equation I(R+r), where I is the current, R is the resistance and r is the internal resistance.
Terminal pd; emf
The terminal potential difference is the pd delivered by the source to the circuit, and is always less than the emf due to something called internal resistance. The circuit below illustrates this concept. The internal resistance is as simple as it sounds, it is resistance to the motion of the electrons that actually originates within the cell or power supply. This can be lessened but will always be present even in the smallest amounts, therefore there is a drop in energy due to this resistance, and thus the actual energy supplied by the supply is lessened. This drop can be measured by putting a voltmeter around the supply, and measuring what is called the terminal pd.

You can measure internal resistance by taking readings of the terminal pd for different values of the current, where the current can be adjusted by using a variable resistor. It follows that you can plot a graph of voltage against current, and that the terminal pd will increase as current increases. The graph follows the equation V = – Ir + e, which mirrors the equation of a straight line y = mx + c. It also follows that –r is equal to the gradient, and a y intercept of e.
Sources:
http://hyperphysics.phy-astr.gsu.edu/hbase/hframe.html
https://www.itp.uni-hannover.de/~zawischa/ITP/diffraction.html
http://www.bbc.co.uk/education
http://ibguides.com/physics/notes/measurement-and-uncertainties
http://www.doctronics.co.uk/voltage.htm
https://www.kerboodle.com/app/courses/17892/modules/Home




Leave a comment